Crane parts form the structural and mechanical foundation of every lifting system. Whether operators use overhead cranes, gantry cranes, or jib cranes, each crane component directly affects lifting safety, stability, and operational efficiency.
By understanding crane parts and their functions, maintenance teams can reduce downtime, improve inspection planning, and extend equipment lifespan. In this guide, we explain the major overhead crane parts and describe how each component contributes to reliable lifting performance.
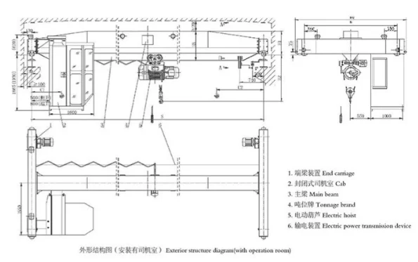
Overhead Crane Parts Diagram

Main Structural Crane Parts
First, structural crane parts create the framework that supports all lifting movements.
1. Crane Girder
The crane girder serves as the primary load-bearing structure. It supports the trolley and hoisting mechanism while distributing the load across runway beams.
Manufacturers typically design:
- Single-girder cranes for light-duty applications
- Double-girder cranes for heavy-duty lifting
Proper girder design improves structural strength and reduces deformation.
Core Hoisting Crane Parts and Functions
After the structural system supports the crane, the hoisting system performs the actual lifting process.
3. Crane Motor
The crane motor provides driving force for hoisting and traveling movements. Modern cranes widely use variable frequency motors to achieve smooth acceleration and precise positioning.

4. Crane Drum
The crane drum converts rotational energy into vertical lifting motion. Precision-machined grooves guide the wire rope evenly and reduce wear.

5. Wire Rope
The wire rope directly bears the load. Therefore, operators must inspect it regularly for:
- Broken wires
- Corrosion
- Diameter reduction
Routine inspection prevents unexpected failures.
6. Crane Hook
The crane hook connects the load to the lifting system. Manufacturers forge hooks from high-strength alloy steel and equip them with safety latches to prevent accidental disengagement.

7. Crane Sheaves (Pulleys)
Crane sheaves guide the wire rope and change its direction. Multiple sheaves increase mechanical advantage and distribute load stress more evenly.

Power Transmission and Control Components
In addition to structural and hoisting parts, transmission and control systems ensure safe crane operation.
8. Crane Gearbox (Reducer)
The crane gearbox reduces motor speed and increases torque, allowing precise lifting control.

9. Crane Brake System
The brake system ensures safe stopping and load holding. During emergencies, brakes immediately secure the load.

10. Electrical Control System
Finally, the electrical control system coordinates all crane movements.
Typical systems include:
- Overload protection
- Концевые выключатели
- Emergency stop devices
- Преобразователи частоты
These features improve safety and automation.

Why Understanding Crane Parts Matters
Each crane part performs a specific function, yet all crane components operate as one integrated system. If one component fails, overall safety and performance decrease.
Therefore, operators should:
- Inspect crane parts regularly
- Lubricate moving components properly
- Replace worn crane components promptly
Moreover, selecting high-quality crane components significantly improves long-term reliability.
Recommended Crane Parts for Reliable Lifting Systems
If you are maintaining or upgrading lifting equipment, choosing precision-engineered components is essential.
Hanko Crane Parts specializes in manufacturing and supplying critical crane components for global lifting equipment applications.
Common replacement and upgrade products include:
You can explore detailed specifications here:
https://www.hankocraneparts.com/
FAQ – Overhead Crane Parts and Functions
Основные части мостового крана
The main overhead crane parts include the girder, end carriage, motor, drum, wire rope, hook, sheaves, gearbox, brake system, and electrical control system.
Which crane parts wear out fastest?
Wire ropes, brake linings, crane wheels, and sheaves typically experience the highest wear due to friction and repeated load cycles.
How often should crane parts be inspected?
Operators should perform visual inspections daily and conduct detailed mechanical inspections every 3–6 months depending on working conditions.
Why is crane parts quality important?
High-quality crane components improve lifting safety, reduce downtime, and extend service life.
Заключение
Overhead crane parts—including motors, drums, gearboxes, brake systems, wire ropes, and structural components—work together to deliver safe and efficient lifting performance.
By understanding crane parts and their functions, operators and maintenance teams can improve safety, optimize maintenance planning, and extend equipment lifespan.
When sourcing replacement components, working with a professional crane parts manufacturer ensures stable quality and reliable technical support.